Mida Te päev läbi teete e. kes millega aidata saab?

See on kommuuni see osa, kus saab motovaba juttu ajada.

Moderaator: Moded

Kasutaja avatar

Vapsik
Postitusi: 515
Liitunud: 13 Juul 2007, 22:49
Tsikkel: 50cc MILD SEVEN, K 650, XV920
Asukoht: Tallinn
Tänanud: 33 korda
Tänatud: 20 korda

Re: Mida Te päev läbi teete e. kes millega aidata saab?

Lugemata postitus Postitas Vapsik »

Köögis 9 erikujulist kapi ust/sahtliesist. Praegu tehtud mingist papisodist. Muidugi pundunud iga
kriimu ja täkke koha pealt. Teeks liimpuitkilbist äkki. Ja võõpaks üle. Leiduks sellist meistrit Tallinnas või lähedal sellele? Tooks need vanad šabloonideks.


fan129
Postitusi: 27
Liitunud: 30 Juun 2012, 17:38
Tsikkel: Propeller

Re: Mida Te päev läbi teete e. kes millega aidata saab?

Lugemata postitus Postitas fan129 »

Tere! Tig keevitusTartu kandis. Rv, alumiinium ja must. Saan kohapeale tulla. 5null68708.

Kasutaja avatar

Rixy
Postitusi: 22
Liitunud: 05 Mai 2015, 20:17
Tsikkel: Yamaha Dragstar 1100
Asukoht: Tallinn
Tänanud: 2 korda

Re: Mida Te päev läbi teete e. kes millega aidata saab?

Lugemata postitus Postitas Rixy »

Tere.

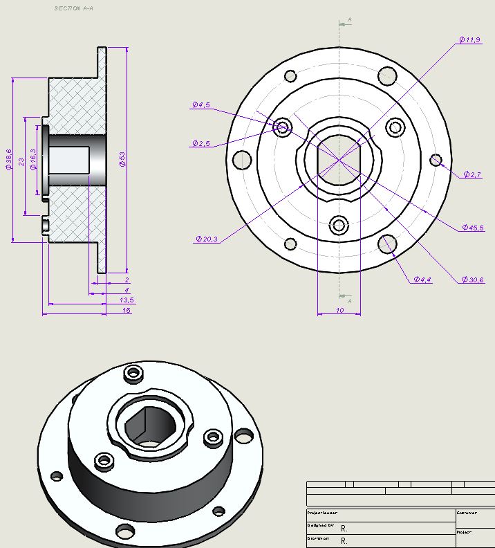
Kas kellegil on võimekust natuke alumiiniumit D4mm sõrmfreesiga mõningad detailid välja freesida?
Üks detail on nagu siin joonisel, 15mm paks ja ülejäänud mõningad detailid on 10mm alumiiniumist lihtsamad detailid. 10mm alumiiniumi on mul omal olemas, paksemat veel pole leidnud. Kõik asjad saaks ära teha ühe paigaldusega ja vertikaalselt freesides.
Kui kellegil on võimalust, siis räägiks juba otse inimesega.
Detailid lähevad mudelauto külge.

Hammasratta vahe flants.JPG

Kõike head!
Rainar
5214369


Lembit
Postitusi: 223
Liitunud: 15 Veebr 2017, 13:43
Tsikkel: Honda XR
Tänanud: 13 korda
Tänatud: 83 korda

Re: Mida Te päev läbi teete e. kes millega aidata saab?

Lugemata postitus Postitas Lembit »

Seda, pildilolevat detaili küll ei saa ei 4mm sõrmfreesiga, ega ka ühe paigaldusega teha.
Kui kiire sul muidu on tükkidega?


ott1
Postitusi: 15
Liitunud: 21 Mär 2021, 10:13
Tsikkel: VN800 Classic 2003 ja Varadero
Tänatud: 3 korda

Re: Mida Te päev läbi teete e. kes millega aidata saab?

Lugemata postitus Postitas ott1 »

Hei

Julgen soovitada sellist ettevõtet nagu Oldbac.
www.oldbac.com.
Teevad alumiiniumist igasugu imevidinaid.

Kasutaja avatar

Madlobster
Toetajaliige
Postitusi: 3151
Liitunud: 30 Aug 2016, 12:52
Tsikkel: Honda VFR800, 2008
Tänanud: 492 korda
Tänatud: 600 korda

Re: Mida Te päev läbi teete e. kes millega aidata saab?

Lugemata postitus Postitas Madlobster »

Kas täna keegi ...
Abi saadud

Tsiteerides "klassikuid". "Mitte keegi ei saa mul keelata LS-i tõlgendada nii, nagu mina seda soovin."
Kasutaja avatar

kris.
Postitusi: 2416
Liitunud: 23 Mär 2004, 18:11
Tsikkel: FLTRXS
Asukoht: Tallinn
Tänanud: 15 korda
Tänatud: 26 korda

Re: Mida Te päev läbi teete e. kes millega aidata saab?

Lugemata postitus Postitas kris. »

Pole päris õige teema aga äkki keegi viitsiks jägada kogemusi sõiduki ümberehituse registreerimisega seoses? Standartne bürokraatia küll aga äkki mõned nipid mida oleks hea teada, enne kui avaldust kirjutama lähen. Ümberehituse käigus on muutunud sõiduki üks gabariidimõõde - tahaks vastavat muudatust ka teh. passi saada, et ülevatusel ei peedistataks.
Tänud juba ette!

Kasutaja avatar

urmas66
Toetajaliige
Postitusi: 7444
Liitunud: 29 Jaan 2011, 11:52
Tsikkel: Yamaha TDM 850
Asukoht: Harjumaa, Saue vald
Tänanud: 2014 korda
Tänatud: 599 korda

Re: Re: Mida Te päev läbi teete e. kes millega aidata saab?

Lugemata postitus Postitas urmas66 »

kris. kirjutas: 06 Aug 2021, 14:16

Pole päris õige teema aga äkki keegi viitsiks jägada kogemusi sõiduki ümberehituse registreerimisega seoses? Standartne bürokraatia küll aga äkki mõned nipid mida oleks hea teada, enne kui avaldust kirjutama lähen. Ümberehituse käigus on muutunud sõiduki üks gabariidimõõde - tahaks vastavat muudatust ka teh. passi saada, et ülevatusel ei peedistataks.
Tänud juba ette!

Korrektselt oleks vis pidanud alustama ümberehituse loa taotlemisega ja siis kui luba käes alles töökojas tegutsema. Seega uuri ARK tehnoosakonnast ,et kuidas see teostada(justkui sul pole veel midagi tehtud) ja siis vastavalt sellele jätkad. Olemas võiks olla palju fotosid töö teostamisest etappide kaupa,et oleks ausaadav mida ja kuidas on muudetud.Ostetud materjalide-osade ostuarved on alati abiks.

Sõidetud rattad:Riga-d erinevad,Turist T200 73`,Jawa`d erinevad ,Honda Varadero XL 1000 99`,Yamaha TDM 850 97`...
ML-Transport AS
Kiired kaubaveod Tallinn-Helsinki,Helsinki-Tallinn
Kaubavedu Scandinaavias ja Baltimaades.
Kasutaja avatar

deadend
Postitusi: 350
Liitunud: 26 Juul 2004, 23:51
Tsikkel: Yamaha
Asukoht: tartu
Tänanud: 6 korda

Re: Re: Mida Te päev läbi teete e. kes millega aidata saab?

Lugemata postitus Postitas deadend »

kris. kirjutas: 06 Aug 2021, 14:16

Pole päris õige teema aga äkki keegi viitsiks jägada kogemusi sõiduki ümberehituse registreerimisega seoses? Standartne bürokraatia küll aga äkki mõned nipid mida oleks hea teada, enne kui avaldust kirjutama lähen. Ümberehituse käigus on muutunud sõiduki üks gabariidimõõde - tahaks vastavat muudatust ka teh. passi saada, et ülevatusel ei peedistataks.
Tänud juba ette!

Ma tegin enda pikap autost madelauto ja ütleks, et see arkiga majandus oli ülilihtne :wink:

  1. Tegin ümberehituse avalduse lühida kirjeldusega mis muutub auto juures.
  2. Käisin Metrosert-is kaalumas autot. (100 euri)
  3. Käisin arkis ette näitamas. Ma küll kasti mõõtmed ei muutnud aga kuna autole oli lisatud tõste ja laiendid siis läksid kirja ka uued mõõdud. Mõõtis arkionu kohapeal oma lintide ja tokkidega.
  4. Likvideerisin puudused (porilapakad ja allasõidutõke puudus)
  5. Ootasin veits kuni tuli vastus maanteeametist, et kõik tore ja läksin arki uue passi järgi (20 euri)

Ma ise esimese hooga ei hakanud detailseid kirjeldusi ja pildikogusi ümberehitusest pakkuma ja keegi ei küsinud ka.

Eks kõik sõltub sellest mida ja kuidas sa sõidukil muutsid.


werst
Postitusi: 55
Liitunud: 10 Nov 2014, 19:59

Re: Re: Mida Te päev läbi teete e. kes millega aidata saab?

Lugemata postitus Postitas werst »

IMG_20210808_175059.jpg

Kas keegi 3d printimisega ka tegeleb või oskab keegi öelda kust leiaks sachs esiamordile rebound clickeri nuppu? Teise amordi oma on alles, selle põhjal saaks ehk uue printida?

Kasutaja avatar

Madlobster
Toetajaliige
Postitusi: 3151
Liitunud: 30 Aug 2016, 12:52
Tsikkel: Honda VFR800, 2008
Tänanud: 492 korda
Tänatud: 600 korda

Re: Re: Mida Te päev läbi teete e. kes millega aidata saab?

Lugemata postitus Postitas Madlobster »

kellelgi gps antenni emase fakra pistikuga ei vedele riiulis?

Tsiteerides "klassikuid". "Mitte keegi ei saa mul keelata LS-i tõlgendada nii, nagu mina seda soovin."
Kasutaja avatar

M.T.
Postitusi: 2487
Liitunud: 23 Aug 2011, 17:12
Tsikkel: -
Tänanud: 164 korda
Tänatud: 356 korda

Re: Re: Mida Te päev läbi teete e. kes millega aidata saab?

Lugemata postitus Postitas M.T. »

Keegi metalliga tegeles või teab soovitada kohta kus hea hinnaga lattrauda saaks? U. 4x50x6000 mm mõõdus ja 84m vaja, lisaks mõnikümmend meetrit armatuuri kah.

Kasutaja avatar

tuvi
Postitusi: 189
Liitunud: 07 Juun 2004, 12:35
Tsikkel: Gsxr,Dnepr,K,Ural,M,H-D;GasGas
Asukoht: Tartu, vahel Norra
Tänatud: 4 korda

Re: Mida Te päev läbi teete e. kes millega aidata saab?

Lugemata postitus Postitas tuvi »

Rgr metall


taxx
Postitusi: 103
Liitunud: 02 Juun 2019, 16:34
Asukoht: Tallinn & Hiiumaa
Tänanud: 4 korda
Tänatud: 10 korda

Re: Re: Mida Te päev läbi teete e. kes millega aidata saab?

Lugemata postitus Postitas taxx »

Exmet

Kasutaja avatar

Madlobster
Toetajaliige
Postitusi: 3151
Liitunud: 30 Aug 2016, 12:52
Tsikkel: Honda VFR800, 2008
Tänanud: 492 korda
Tänatud: 600 korda

Re: Re: Mida Te päev läbi teete e. kes millega aidata saab?

Lugemata postitus Postitas Madlobster »

Keegi soome vahet käib? Verkkokaupa.comist (tyynymerekatu helsingi) mõned asjad saaks tuua? mahub ka sõiduautosse kui juba maast laeni täis ei ole.
Ei ole kiire

Tsiteerides "klassikuid". "Mitte keegi ei saa mul keelata LS-i tõlgendada nii, nagu mina seda soovin."
Kasutaja avatar

Tuuletallaja
Postitusi: 767
Liitunud: 22 Aug 2006, 13:13
Tsikkel: Neegrikaksik
Asukoht: Faeht / Reval / Waldeck
Tänanud: 127 korda
Tänatud: 79 korda

Re: Re: Mida Te päev läbi teete e. kes millega aidata saab?

Lugemata postitus Postitas Tuuletallaja »

Madlobster kirjutas: 16 Aug 2021, 17:44

Keegi soome vahet käib? Verkkokaupa.comist (tyynymerekatu helsingi) mõned asjad saaks tuua? mahub ka sõiduautosse kui juba maast laeni täis ei ole.
Ei ole kiire

OT: Mis seal on mingi padjaklubi v?

Minu jaoks on see kõik siin üks sotsiaalne eksperiment :bsmile:
Suu võib käia, mootor peab käima!
'96 XRV750
'97 XL600V
'89 Jawa 638
Kasutaja avatar

Madlobster
Toetajaliige
Postitusi: 3151
Liitunud: 30 Aug 2016, 12:52
Tsikkel: Honda VFR800, 2008
Tänanud: 492 korda
Tänatud: 600 korda

Re: Re: Mida Te päev läbi teete e. kes millega aidata saab?

Lugemata postitus Postitas Madlobster »

no aga mine nende kodulehele ja vaata järgi :)

Tsiteerides "klassikuid". "Mitte keegi ei saa mul keelata LS-i tõlgendada nii, nagu mina seda soovin."
Kasutaja avatar

kaimex
Mode
Postitusi: 810
Liitunud: 05 Mai 2015, 21:54
Tsikkel: honda putukas :P
Asukoht: Tartu / Pohjanmaa
Tänanud: 38 korda
Tänatud: 15 korda

Re: Re: Mida Te päev läbi teete e. kes millega aidata saab?

Lugemata postitus Postitas kaimex »

Madlobster kirjutas: 16 Aug 2021, 22:03

no aga mine nende kodulehele ja vaata järgi :)

Psi võid kirjutada ja vaatame vb saab aidata. Kahtlane a vb. :)

Kasutaja avatar

Jannes
Postitusi: 249
Liitunud: 25 Veebr 2004, 16:09
Tsikkel: R1200R -17
Asukoht: Tallinn
Tänanud: 5 korda
Tänatud: 8 korda

Re: Re: Mida Te päev läbi teete e. kes millega aidata saab?

Lugemata postitus Postitas Jannes »

Madlobster kirjutas: 16 Aug 2021, 17:44

Keegi soome vahet käib? Verkkokaupa.comist (tyynymerekatu helsingi) mõned asjad saaks tuua? mahub ka sõiduautosse kui juba maast laeni täis ei ole.
Ei ole kiire

Räägid lähemalt?

Sui generis

Luxor
Postitusi: 1010
Liitunud: 08 Mär 2019, 21:39
Tsikkel: Tomos Funsport/ Montesa NT700V
Asukoht: Veelinn
Tänanud: 1 kord
Tänatud: 27 korda

Re: Re: Mida Te päev läbi teete e. kes millega aidata saab?

Lugemata postitus Postitas Luxor »

Kas meite seas ka mõni veterinaar leidub? Ei pea siin kuulutama võib ka mulle kirja saata.

Tore on olla oluline, veel olulisem on olla tore!
Kasutaja avatar

yeekim
Toetajaliige
Postitusi: 6828
Liitunud: 09 Mai 2006, 12:08
Tsikkel: XV1900
Asukoht: Head mõtted
Tänanud: 708 korda
Tänatud: 464 korda

Re: Re: Mida Te päev läbi teete e. kes millega aidata saab?

Lugemata postitus Postitas yeekim »

Luxor kirjutas: 17 Aug 2021, 03:03

Kas meite seas ka mõni veterinaar leidub? Ei pea siin kuulutama võib ka mulle kirja saata.

Tuleb kohe meelde:
"Tead, dr.Tamm lasti lahti!
Mille pärast?
Aa, ta magas patsientidega...
Kahju, väga hea loomaarst oli!"

Saadetud kettaga lauatelefonist!

Luxor
Postitusi: 1010
Liitunud: 08 Mär 2019, 21:39
Tsikkel: Tomos Funsport/ Montesa NT700V
Asukoht: Veelinn
Tänanud: 1 kord
Tänatud: 27 korda

Re: Re: Mida Te päev läbi teete e. kes millega aidata saab?

Lugemata postitus Postitas Luxor »

yeekim kirjutas: 17 Aug 2021, 08:27
Luxor kirjutas: 17 Aug 2021, 03:03

Kas meite seas ka mõni veterinaar leidub? Ei pea siin kuulutama võib ka mulle kirja saata.

Tuleb kohe meelde:
"Tead, dr.Tamm lasti lahti!
Mille pärast?
Aa, ta magas patsientidega...
Kahju, väga hea loomaarst oli!"

Uskudes uudiseid arenenud maailma loomabordellide hulgast, siis võib mõni Sinu juttu uskuma jääda küll.

Tore on olla oluline, veel olulisem on olla tore!

Prets
Postitusi: 702
Liitunud: 13 Juun 2009, 02:40
Tsikkel: Husqvarna 701 "Endu"
Asukoht: Tartto
Tänanud: 13 korda
Tänatud: 71 korda

Re: Re: Mida Te päev läbi teete e. kes millega aidata saab?

Lugemata postitus Postitas Prets »

Mis sorti loomaga tegu? Kas vaja suurloomaarsti või väikeloomakliiniku arsti? Üldiselt ühed ei tegele (vno, ei taha tegeleda) teistega.

(Veistele oskaks vist isegi diagnoosi panna)

(togi)

Luxor
Postitusi: 1010
Liitunud: 08 Mär 2019, 21:39
Tsikkel: Tomos Funsport/ Montesa NT700V
Asukoht: Veelinn
Tänanud: 1 kord
Tänatud: 27 korda

Re: Re: Mida Te päev läbi teete e. kes millega aidata saab?

Lugemata postitus Postitas Luxor »

Näriline e. siis väikeloom.

Tore on olla oluline, veel olulisem on olla tore!
Kasutaja avatar

Enn
Postitusi: 197
Liitunud: 10 Juul 2009, 15:51
Tsikkel: Yamaha Tracer 9 GT+ 2025
Asukoht: Tallinn, Veskimöldre
Tänanud: 27 korda
Tänatud: 20 korda

Re: Mida Te päev läbi teete e. kes millega aidata saab?

Lugemata postitus Postitas Enn »

Tere
Siit ikka oskajatelt inimestelt abi saanud, äkki oskab keegi midagi öelda ka külmakindlate kastmiskraanide kohta. Mul üks selline Gutavsbergi oma, tilgub, pidama ei saa. Vahetasin ära sisemise toru otsas oleva manseti ja vedruga plastist jublaka, samuti selle keermega junni küljes olevad rõngastihendid, tolku ei miskit, veel hullemini tilgub. Juhe jooksis kokku ...
.....
Kuna ühtegi head mõtet kuskilt ei paistnud, siis võtsin kogu kupatuse maha ja selgus, et välistoru lõpus oleval põlvel oli manseti aluses pinnas sälgud sees. Tellisin uue põlve.

n
Kasutaja avatar

kris.
Postitusi: 2416
Liitunud: 23 Mär 2004, 18:11
Tsikkel: FLTRXS
Asukoht: Tallinn
Tänanud: 15 korda
Tänatud: 26 korda

Re: Mida Te päev läbi teete e. kes millega aidata saab?

Lugemata postitus Postitas kris. »

Oleks vaja kuu lõpus tsikkel Tallinna Transpordiametisse ülevaatamiseks viia. Kas keegi tahaks transaga aidata, või keda soovitate? Heameelega maksaks omadele :bsmile: .
Kuna liigutada on vaja linna piires, siis sobib lahtise käruga variant ka. Küll aga on vaja korralikku rampi, sest ratas kaalub 300+ kg.
Mina tänan!

Kasutaja avatar

Krl
Postitusi: 1797
Liitunud: 19 Veebr 2017, 21:31
Tsikkel: Welcome to the darkside
Asukoht: Tallinn
Tänanud: 2 korda
Tänatud: 194 korda

Re: Mida Te päev läbi teete e. kes millega aidata saab?

Lugemata postitus Postitas Krl »

Bolti buss äkki ?

Kasutaja avatar

kris.
Postitusi: 2416
Liitunud: 23 Mär 2004, 18:11
Tsikkel: FLTRXS
Asukoht: Tallinn
Tänanud: 15 korda
Tänatud: 26 korda

Re: Mida Te päev läbi teete e. kes millega aidata saab?

Lugemata postitus Postitas kris. »

Siis jääb alles küsimus, kellel Pirita kandis rampi oleks laenata ... :) .

Krl kirjutas: 15 Okt 2021, 10:08

Bolti buss äkki ?


oil
Postitusi: 830
Liitunud: 15 Apr 2014, 09:39
Tänanud: 31 korda
Tänatud: 92 korda

Re: Mida Te päev läbi teete e. kes millega aidata saab?

Lugemata postitus Postitas oil »

kris. kirjutas: 15 Okt 2021, 10:15

Siis jääb alles küsimus, kellel Pirita kandis rampi oleks laenata ... :) .

Krl kirjutas: 15 Okt 2021, 10:08

Bolti buss äkki ?

Lask pimeduses, aga võib-olla Motardil on olemas ja saaksid väikese tasu eest rentida. Nad Lauluväljaku juures pesitsevad.

Kasutaja avatar

yeekim
Toetajaliige
Postitusi: 6828
Liitunud: 09 Mai 2006, 12:08
Tsikkel: XV1900
Asukoht: Head mõtted
Tänanud: 708 korda
Tänatud: 464 korda

Re: Mida Te päev läbi teete e. kes millega aidata saab?

Lugemata postitus Postitas yeekim »

oil kirjutas: 15 Okt 2021, 11:03
kris. kirjutas: 15 Okt 2021, 10:15

Siis jääb alles küsimus, kellel Pirita kandis rampi oleks laenata ... :) .

Krl kirjutas: 15 Okt 2021, 10:08

Bolti buss äkki ?

Lask pimeduses, aga võib-olla Motardil on olemas ja saaksid väikese tasu eest rentida. Nad Lauluväljaku juures pesitsevad.

Kas mitte MOTARD nüüd Pärnus pole?

Saadetud kettaga lauatelefonist!
Vasta

Liitu vestlusega

Vestluses osalemiseks pead sa olema motokommuuni liige

Avan konto

Pole veel liige? Pole probleemi, registreeru ja liitu.
Liikmena saad sa ise postitada ja vastata teisetel või tellida endale teavitusi vestluse edenemise kohta.
Kõik siin on tasuta ja võtab vaid minuti. Kohtusi sellega ei kaasne.

Registreeru

Logi sisse

Mine “Vaba teema”