Suzuki TS 125 R, 91a -tito
Moderaator: Moded
-
tito
Teema algataja - Postitusi: 749
- Liitunud: 07 Juun 2013, 08:38
- Tsikkel: Suzuki DR-Z
- Tänanud: 128 korda
- Tänatud: 63 korda
Suzuki TS 125 R, 91a -tito
Asjadest siis järjekorras.... Peale puhastamist
…
Aastaid 2 tagasi müügikuulutusi passides leidsin antud isendi, kuna hind oli komm sai kohe vaatama mindud. Esimesel korral ei õnnestunud ära osta ,sest omanik polnud kodus. Hilisem kokkulepitud kohtumine pidas vähe rohkem vett ja nii ma ta kuskilt kapakohilast koju tõingi. Nagu mainitud olen ma mootorrataste kohalt täiesti tume maa, seega sai üheks valiku põhjuseks ka just nimelt miks sellise lihtsakoelise 2T pilli üldse valisin. Hea on ju kuskil käed õliseks teha ja kogemust koguda, pealegi- mul puudub A kat ja legaalselt liikuda enivei ei või
Ok alustame siis algusest. Ratas oli väga räämas ja porine, hooldatud oli ka kehvasti, tagumised klotsid olid pmst metall metalli. Soomest toodud rattal puudusid absull dokumendid jne jne ..aga käima läks esimesest vända hoobist peale nädalast seismist, mis on ju hea ?!? Võetud siis aiavoolik ligi ,küürisin niipalju puhtaks et sai peale juba istuda ja esimene väiksem tiirgi ümber kodu uulitsa tehtud. Kuid ei liikund see pill nii nagu võiks ja peaks, Ja et tagumine klots oli enivei lilleks tegin pisema hoolduse talle.
Panin peale uue piibu koos juhtmega ja küünla, mõlemad NGK tooted. Ramost ostsin uued klotsid taha, vahetasin need ka ära ja hooldasin supordi. Puhastasin ning määrisin keti, pesin puhtaks õhufiltri. Vahetasin mootroris , õigemini käigukastis , õli -sisse läks Castroli MTX 10W40 mineraal, mida läks 950g .Kunas esimene rehv oli eluohtlik kammisin suvalisi müügikuulutusi ja ostsin esimesed rehvid, mida on nüüd mulle kogunenud koos erinevate velgedega ilge hunnik .... sellest kõigest pikemalt hiljem
Kuna koduste vahenditega ( loe noa ja kahvliga) suutsin õhukummi vigastada ostsin uue lohvi , kuna vana keelduti lappimast . Keegi siin on ka öelnud kuldsed sõnad- tuli läbi katkise kummi, läks läbi katkise kummi
Ja kodaravõtme-viimane oli vajalik kuna pähe oli istund mõte teha SM iks. See tee on ka naljakalt kulgend.
Alustame selle saagaga ka algusest ,kuna mul see auul suht asfalteeritud ,ostsin algatuseks miskid tänavarehvid nii ette 21 " kui taha 18"
Siis pisik süvenes ja ligi sai haaratud ühed valud ,mis tahtsin alla sobitada, aga oma esivelje ehituse tõttu oli suht keeruline kogu kompott alla saada.
Aga siis täiesti lambist leidsin osta keskkonnast ühe velje mida müüdi 10 cendiga ja ma vist võitsin sellega ka ta lõpuks omale. Tegu oli D.I.D veljega mis kindlasti ei vaja suuremale seltskonnale tutvustamist ( nüüd aga ärge näkku pekske) velje strateegilised näitajad 17x1.4 tolli 36 kodaraga.
See oli traieli alt tulnud ja sinna sobima pandud, ketas ja selle kinnitus olid puhas käsitöö
Sellelt üleval pool olnud mustalt valult sai esirehv maha kistud ja sellele veljele pandud, üldmulje muutus ääm ma ei tea, skaala alt otast ,ohh päris hea´ks
Selleks ajaks olin koostanud ka pisikese listi mida magusat mul Inglismaa jebaist vaja
* esivelje rummu
* kõwer piduriheebel vajas ka vahetust
* kole kui öö kummilutid amortidel võiks saada kaasaegsema tegumoe
*igaks petteks esiamortidele tihendid
* ja siis kui juba siis juba mootori tihendikomplekt ka
Natuke asjaajamist ja närvikulu ,ning võisin Nilsi juurde kamale järgi minna ( veelkord tänud Timo and Co le ! )
No ja siis oli juba asjade loomulik käik...
Võtsin velje laiali ja üritasin asendada enda rummuga.
Laiali võtmisel pudenesid mõned kodarad näpu vahel, seadsin sammud motopoodidesse ,lõpuks tondilt leidsin umbes täpselt vajalikud kodarad ( rääkides seda kodara jutt meenub mulle et alles peale 3-4 poe kammimist leidsin kodaravõtme ja kodarad -ajuvaba IMO )
Siis siit samast foorumist ostsin endale vähe moodsama porika ja sobitasin külge
Ja siis suur finaal.
Kuna raam oli roostes siit sealt värv maha kulunud mõlkus peas selle puhastamine ja värvimine. Laili kiskumiseks tegin mikimeeste moodi endale väikese töölaua algatuseks
Kuna talvel on külm ja suvel on palav ,siis selle arengu olen ma läbi teinud 2 aastaga ja seis tänaseks selline ...
Raam ja tagakiige on viidud haavlisse, mispeale saab deformeerund/kulund/katkiseid osasid keevitada ja ülikiirelt peale seda tahaks krundid peale lasta. Ma kardan et laialivõtmine on siin ka veninud ja kokkupannes võib tekkida juba agasid
Kõigest tasapisi siis edasi tulevikus!
Ps! Kuna Nagi läks hingusele kadusid ka pildid teemast, mis teha
-
tito
Teema algataja - Postitusi: 749
- Liitunud: 07 Juun 2013, 08:38
- Tsikkel: Suzuki DR-Z
- Tänanud: 128 korda
- Tänatud: 63 korda
Re: Suzuki TS 125 R, 91a -tito
Reede õhtul sain raami haavlist tagasi , siinkohal tänud abilistele!
Täna hommikul peale hommikuvõimlemist kiirelt keevitama, parandasime kiigel mõned pihta saanud kohad ja raami mõned kinnituskõrvad sai üle keevitatud.

Peale seda läksin sõbra juurde ja tuiskasin raamile aluskrundi.

Selle peale täitekat kuhu vaja ja hele krunt alla.

Enne pimedat sain kiige matistatud ja lasin ka värvi+laki selga. See jäi nii pimeda peale ,et pilti saab homme ![]()
Edit: 
-
tito
Teema algataja - Postitusi: 749
- Liitunud: 07 Juun 2013, 08:38
- Tsikkel: Suzuki DR-Z
- Tänanud: 128 korda
- Tänatud: 63 korda
Re: Suzuki TS 125 R, 91a -tito
Kuna pühapäev on puhkepäev ,siis täna tööd ei teinud
Vaikselt hakkasin jubinaid puhastama, kui olin amordi lingile juba pudeli brace cleanerit raisanud ,tuli meelde ,et kuskil vedeleb prooviks saadud Plex-u Otsisin välja ja hakkasin puhastama.




Peale pesu hakkas juba looma..



Nüüd pean õhu ja lapiga veel üle käima ,siis on puhas.
Raami värviga jäin mõtlema, kas värvida tänapäevase värviga ja lakkida või panna nn "rekka värv" ilma lakita tavaline pinnakas. Kellelegi kogemust/ideid, andke nõu ![]()
-
tito
Teema algataja - Postitusi: 749
- Liitunud: 07 Juun 2013, 08:38
- Tsikkel: Suzuki DR-Z
- Tänanud: 128 korda
- Tänatud: 63 korda
Re: Suzuki TS 125 R, 91a -tito
Tort kirjutas:Veoauto värv, jääb tugev ja ka ilus.
Tänud ,tänud!
Siin ise mõtlesime ,et poole kiloga vast värvib ära paagi ja raami. Raami värvimisel vist kadu kole suur ![]()
-
Tort
- Postitusi: 2044
- Liitunud: 07 Juun 2005, 11:17
- Asukoht: Tallinn
- Tänanud: 5 korda
- Tänatud: 178 korda
Re: Suzuki TS 125 R, 91a -tito
Kulu kohta ma kahjuks öelda ei oska, aga google ütleb:
A very experienced painter working carefully not to waste, and not having to spray color-matching, or practice panels, would use about 1 & 1/2 Pints of color & 1 Quart of Clear-coat, (with the appropriate amount of Catalyst / reducer), to paint the fairing, bodypanels, tank & fenders on an average Sport-bike, or Cruiser.
Samas kui sul raami sees õlipaaki pole, siis võiksid raami jaoks kaaluda ka pulbervärvi. Jääb vast kõige tugevam variant ja ei maksa ka palju. Ma oleks seda teed läinud, aga paak oli raamis ja ei hakanud küpsetama seda õli seal. Kiige viisin sellegipoolest pulbrisse.
-
tito
Teema algataja - Postitusi: 749
- Liitunud: 07 Juun 2013, 08:38
- Tsikkel: Suzuki DR-Z
- Tänanud: 128 korda
- Tänatud: 63 korda
Re: Suzuki TS 125 R, 91a -tito
Tort kirjutas:Kulu kohta ma kahjuks öelda ei oska, aga google ütleb:
A very experienced painter working carefully not to waste, and not having to spray color-matching, or practice panels, would use about 1 & 1/2 Pints of color & 1 Quart of Clear-coat, (with the appropriate amount of Catalyst / reducer), to paint the fairing, bodypanels, tank & fenders on an average Sport-bike, or Cruiser.
Samas kui sul raami sees õlipaaki pole, siis võiksid raami jaoks kaaluda ka pulbervärvi. Jääb vast kõige tugevam variant ja ei maksa ka palju. Ma oleks seda teed läinud, aga paak oli raamis ja ei hakanud küpsetama seda õli seal. Kiige viisin sellegipoolest pulbrisse.
Ma olen näinud väga koledat tulemust, ei riskiks sellega. Samas kas pulbervärv kivirahet kannatab, mu meelest mitte ![]()
Re: Suzuki TS 125 R, 91a -tito
Kaks-kolm aastat tagasi kõik kiitsid jubedalt. Tegelikuses kõlbab sellega värvida ainult midagi mis kuskil kodus hoovis seisab, näiteks grill vms. Ei pidanud siin kliimas üldse hea asi olema.
-
Tort
- Postitusi: 2044
- Liitunud: 07 Juun 2005, 11:17
- Asukoht: Tallinn
- Tänanud: 5 korda
- Tänatud: 178 korda
Re: Suzuki TS 125 R, 91a -tito
Eks arvamusi on seinast seina, nagu ka töö kvaliteeti. Mõned väidavad, et tekivad roostekolded mingite õhumullide tõttu suht kiirelt, ei oska kommenteerida. Mul raam pritsitud, kiik käis aga pulbris. Eks saab siis võrrelda.
tito kirjutas:Samas kas pulbervärv kivirahet kannatab, mu meelest mitte
Ma tean ühte krossimeest, kes kõik oma ja teistele tehtud raamid pulbris värvib. Autovärvist on kohe tükk väljas, veoauto oma on vastupidavam kõvasti ja ka mul see seljas.
Re: Suzuki TS 125 R, 91a -tito
Kas sul velg millel rummu ära vahetasid jäi sirgeks ka lõpuks? Niimoodi seda asja ei tehta, iga kodas on oma mõõtu ja peab õigesse auku tagasi minema.
Tort kirjutas:Eks arvamusi on seinast seina, nagu ka töö kvaliteeti. Mõned väidavad, et tekivad roostekolded mingite õhumullide tõttu suht kiirelt, ei oska kommenteerida. Mul raam pritsitud, kiik käis aga pulbris. Eks saab siis võrrelda.
tito kirjutas:Samas kas pulbervärv kivirahet kannatab, mu meelest mitte
Ma tean ühte krossimeest, kes kõik oma ja teistele tehtud raamid pulbris värvib. Autovärvist on kohe tükk väljas, veoauto oma on vastupidavam kõvasti ja ka mul see seljas.
Ja ma käisin kunagi auto velgi värvimas pulbriga. Küsisin peale värvimist, et ei tea kas püsima ka jääb. Siis värvija vastas, et nüüd võib mööda kaevukaasi ka sõita. Kriime oli küll raske peale teha, kõik pühkisin brake cleaneriga maha.
-
tito
Teema algataja - Postitusi: 749
- Liitunud: 07 Juun 2013, 08:38
- Tsikkel: Suzuki DR-Z
- Tänanud: 128 korda
- Tänatud: 63 korda
Re: Suzuki TS 125 R, 91a -tito
110kw kirjutas:Kas sul velg millel rummu ära vahetasid jäi sirgeks ka lõpuks? Niimoodi seda asja ei tehta, iga kodas on oma mõõtu ja peab õigesse auku tagasi minema.
Pole veel kõiki kodaraid sisse ladunud, küll ta ka sirgeks algul jääb. Ise põen kas sõidule vastu peab
Täna sain mitu kärbest 1 hoobiga. Kuna vahepeal sai aega veedetud Mustamäe Haigla erakorralises meditsiinikeskuses...
Spoiler

siis täna käisin töölt läbi, kus ootas ümbrik suzu kirjadega

Edasi sõbraga Värvifoorumisse, kust tõin raami ja paagi värvi ära ( kuna sinna sõit tuli eksprompt ,polnud värvi näidist uue porika näol kaasas, seega võib tulla raam vähe neoonim kui ülejäänu
värvikood RAL 1016 ) Peale töövõimetust vast saab lähiajal selle ka sinna peale
Ja siis päeva naelaks oli orgunniga üle lahe sebitud motopukk, mis maksis nii vähe ,et oma hinda arvestades võib vastu pidada ka kasvõi nädala ![]()

E: Sai raam maalri juurde viidud ,loodame kiiret uut kasukat. Need originaalosad on ka saatanast, ootan kolmas nädal kiige ketikaitset, kiige laagri kaitse tuli juba õnneks ära

-
tito
Teema algataja - Postitusi: 749
- Liitunud: 07 Juun 2013, 08:38
- Tsikkel: Suzuki DR-Z
- Tänanud: 128 korda
- Tänatud: 63 korda
Re: Suzuki TS 125 R, 91a -tito
Nonii, miski päev see nädal jõudis tõusva päikese maalt kiige kaitse ka lõpuks kohale, nüüd saab kiige kokku tagasi panna, kahjuks pole seda veel millegi külge keerata, sest maaler audis

Laagrite määrimiseks haarasin töölt kaasa Castroli laagrimäärde NLGI 2 läbipaistev ja talub temperatuuri vahemikus -30-+150 .Võiks kiigelaagrite ja amordi lingi määrimiseks sobida küll. Vajan nõu plastide ostmisel. Kust saaks või kust küsida kõige soodsamat pakkumist, vanemale a la 90-92a rm 125/250 ,enduro porikale ja käekaitsmetele? Kui kellelgi juhuslikult pakkuda ,võib PS i teada anda ![]()
-
tito
Teema algataja - Postitusi: 749
- Liitunud: 07 Juun 2013, 08:38
- Tsikkel: Suzuki DR-Z
- Tänanud: 128 korda
- Tänatud: 63 korda
Re: Suzuki TS 125 R, 91a -tito
Hakkasin siis täna amordilinki puhastama ja määrima, kõik ilus tore. Tundsin kuidas närv puhkab ....








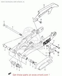
Aga siis hakkasin tagakiige laagritega tegelema (üks suur ropp sõim rsk ) Seal sees polnud laagrimäärdest haisugi, oli üks suur tolmu kitt. Ok kookisin suurema laga peenikese kruvikaga õõnsustest välja ja siis hakkasin kallist bracke cleanerit raiskama, 1 purk ,2 purk .... lõpuks hakkasid laagrid paistma. Kui ühe sain enam vähem viisakaks, siis teine oli suur ebaõnnestumine. Laagri separaatorid lilleks ja pooled nõelad puudu, tagatipuks on asi ennast nii kinni roostetanud ,et majapidamises pole nii suurt koputit millega liikuma saada, ptui ma ütlen.

Tõenäoliselt on probleem, joonisel nr 7 märgitud ,tolmukate puudumises
Esmaspäeval tuleb uuesti japooniast juppe tellima hakata
E: Hihi ,söögipausi kõrvale toksitud teksti lõpus, läksin uuesti vasaraga uhmerdama, tegijat ootas töövõit. Esmaspäeval laagripoode ka kammima ![]()
Re: Suzuki TS 125 R, 91a -tito
oleks pangatöötajatel sellised võimalused ![]()
tito kirjutas:Laagrite määrimiseks haarasin töölt kaasa Castroli laagrimäärde NLGI 2 läbipaistev ja talub temperatuuri vahemikus -30-+150...
-
tito
Teema algataja - Postitusi: 749
- Liitunud: 07 Juun 2013, 08:38
- Tsikkel: Suzuki DR-Z
- Tänanud: 128 korda
- Tänatud: 63 korda
Re: Suzuki TS 125 R, 91a -tito
jopakoll kirjutas:oleks pangatöötajatel sellised võimalused
Kindlasti Raasukesed ja Lõhmused on seda teinud
Ma maksin määrde eest ikka raha ka, hea oli ,et ei pidanud kuskile spetsjomm seiklema minema ![]()
-
pühak
- Postitusi: 1828
- Liitunud: 08 Okt 2012, 10:26
- Tsikkel: Kawasaki VN1500
- Asukoht: Lääne-Virumaa
- Tänanud: 223 korda
- Tänatud: 90 korda
Re: Suzuki TS 125 R, 91a -tito
tito kirjutas:Hakkasin siis täna amordilinki puhastama ja määrima, kõik ilus tore. Tundsin kuidas närv puhkab ....
![]()
/.../
Aga siis hakkasin tagakiige laagritega tegelema (üks suur ropp sõim rsk ) Seal sees polnud laagrimäärdest haisugi, oli üks suur tolmu kitt. Ok kookisin suurema laga peenikese kruvikaga õõnsustest välja ja siis hakkasin kallist bracke cleanerit raiskama, 1 purk ,2 purk .... lõpuks hakkasid laagrid paistma. /.../
"Vana kooli" inimesena olen tavoti, tolmu ja rooste sisse kinni idanenud asjad jätnud diiselkütte sisse ligunema. Üldjuhul on aidanud. Mõnikord on tulnud vahepeal lahti ligunend pask pintsli või harjaga eemaldada ja protsessi korrata. Eks selline lähenemine on omakorda jälle üks aeganõudev värk, aga nojah, aeg on raha.
Tulemus paistab Sul igati viisakas olema. Tööprotsess, kui selline, on isetegemise juures küll vägagi oluline osa, aga kõige tähtsam, et lõpuks kena saab. ![]()
siis väärib see ka väärkasutamist!"
-
tito
Teema algataja - Postitusi: 749
- Liitunud: 07 Juun 2013, 08:38
- Tsikkel: Suzuki DR-Z
- Tänanud: 128 korda
- Tänatud: 63 korda
Re: Suzuki TS 125 R, 91a -tito
pühak kirjutas:"Vana kooli" inimesena olen tavoti, tolmu ja rooste sisse kinni idanenud asjad jätnud diiselkütte sisse ligunema. Üldjuhul on aidanud. Mõnikord on tulnud vahepeal lahti ligunend pask pintsli või harjaga eemaldada ja protsessi korrata. Eks selline lähenemine on omakorda jälle üks aeganõudev värk, aga nojah, aeg on raha.
Tulemus paistab Sul igati viisakas olema. Tööprotsess, kui selline, on isetegemise juures küll vägagi oluline osa, aga kõige tähtsam, et lõpuks kena saab.
Tänud , hüva nõu ja nipid on alati teretulnud siin teemas!
-
tito
Teema algataja - Postitusi: 749
- Liitunud: 07 Juun 2013, 08:38
- Tsikkel: Suzuki DR-Z
- Tänanud: 128 korda
- Tänatud: 63 korda
Re: Suzuki TS 125 R, 91a -tito
Tänu Holma vihjele sain oma kiige nõellaagri siit samast Eestist, uskumatu!
Kavial.ee

Ja siis viskasin laagri koos puksiga sügavkülma, selle tulemusena peaks laager kümnendiku millimeetrist kahanema

Samal ajal tõin tuppa sooja kiige, panin juba eelpool eksponeeritud jubinasi külge


Siis installisin keti kaitsme ja kruttisin külge nv puhastatud ja määritud amordilingi


Peale seda sai pandud kiige korstna taha sooja, homme töölt tulles peaks see laager omale kohale iseenesest minema ![]()
Edit 18.09.14 :Blin, ega ikka ei läinud küll iseenesest , täna tõmmitsa meisterdama ja uuele ringile ![]()
Editi Edit : Asi koos, vag grupi õõtsapoldist tehtud tõmmitsa abiga, läks puks koos laagriga omale kohale nagu lupsti. Loodetavasti tuleb homme kohale tellitud kraam ja kiige hoolduse võib lugeda lõppenuks ,peaaegu.
-
tito
Teema algataja - Postitusi: 749
- Liitunud: 07 Juun 2013, 08:38
- Tsikkel: Suzuki DR-Z
- Tänanud: 128 korda
- Tänatud: 63 korda
Re: Suzuki TS 125 R, 91a -tito
Tänane päev oli produktiivne ,sain valmis silmaga nähtava ,käega katsutava...

Vähemalt on varsti kiiget kuhugi külge panna ![]()
-
tito
Teema algataja - Postitusi: 749
- Liitunud: 07 Juun 2013, 08:38
- Tsikkel: Suzuki DR-Z
- Tänanud: 128 korda
- Tänatud: 63 korda
Re: Suzuki TS 125 R, 91a -tito
Tarisin siis raami koju ära, kvaliteediga rahul, kuid värviga....

eeeeeeeek nooooooooooooooooooooooooooot

Umbes täpselt välja valitud kollane värv on ikka oluliselt heledam ja ei mätsi isegi uue esiporikaga, rääkimata vanadest plastidest. Noh pohh, elan üle see paar kümpsi koolirahaks
Ja siis suurest vihast viskasin mootori peale

Ma jätkuvalt ei tohiks pastakast raskemat asja tõsta, a noh YOLO
Rõõmsama poole pealt tehti paar kleepsu kiigele lisaks ja mõrudamaks marjaks, jabooniast tellitud 3 osast 2 jõudis kohale.

Ja viimaseks , ostke juba ära, kui mitte vajadusest endale , siis kasvõi minu rõõmuks !
http://biker.ee/phpbb/viewtopic.php?f=92&t=86623
usinamad võivad ketta pooleks lõigata ja sellest mingi toreda ürituse karikad kasvõi teha, kujutage ette teete mitu inimest õnnelikuks ![]()
Re: Suzuki TS 125 R, 91a -tito
Kas raami üle ei värvi? Hiljem kui ratas täitsa koos ei pruugi vabsjee kokku sobida see toon, siis on juba keerulisem uuesti värvida.
-
tito
Teema algataja - Postitusi: 749
- Liitunud: 07 Juun 2013, 08:38
- Tsikkel: Suzuki DR-Z
- Tänanud: 128 korda
- Tänatud: 63 korda
Re: Suzuki TS 125 R, 91a -tito
110kw kirjutas:Kas raami üle ei värvi? Hiljem kui ratas täitsa koos ei pruugi vabsjee kokku sobida see toon, siis on juba keerulisem uuesti värvida.
Mul laes suured luminofoorlambid tegelt nii kriiskav ei ole, teisalt palju seal seda raami ikka paistab
Pidin toolilt maha kukkuma kui sain teada ,et täna viimane tolmukas jabooniast kohale jõudis, kreit saksesss


Siis mõtlesin ,et peaks amordi ära puhastama

Sai teist jälle plexu ga puhastatud ja lõpuks nägin ka s*ta kihi alt unipalli

Päris lõpptulemusest hiljem ...
Suureringi küsimus ka, ma olen pehmoks muutunud ja valule tundlikum kui vanasti. Kas vedru eraldamine amordist on väga valus ilma tõmmitsata ?
-
pühak
- Postitusi: 1828
- Liitunud: 08 Okt 2012, 10:26
- Tsikkel: Kawasaki VN1500
- Asukoht: Lääne-Virumaa
- Tänanud: 223 korda
- Tänatud: 90 korda
Re: Suzuki TS 125 R, 91a -tito
Mul on vedru kokkuvedamiseks mingid jurakad olemas, keermed küll omajagu kulunud, aga veel üle ei viska. Kui tahad, võin Sulle smartpostiga laenuks saata, kui tagasi ikka ka saadad ja kõik postikulud ise kannad.
Sihukesed, ainult tunduvalt hullemad näevad välja. Ostsin kunagi Soomest auto, millel pool pagasnikut igasuguseid mõttetuid tööriistu ja muud kola täis oli. Need leidsin ka sealt ja seni on need, kui paar lanti välja arvata, osutunud kõige kasutatavamateks asjadeks, mis ma sellest pagasnikust leidsin:

siis väärib see ka väärkasutamist!"
-
tito
Teema algataja - Postitusi: 749
- Liitunud: 07 Juun 2013, 08:38
- Tsikkel: Suzuki DR-Z
- Tänanud: 128 korda
- Tänatud: 63 korda
Re: Suzuki TS 125 R, 91a -tito
Blin, süübisin varuosa kataloogi, võib selline asi olla ,et vedru on amordiga 1 s tükis?
![]()
Nii on küll jama ![]()
-
wend
Re: Suzuki TS 125 R, 91a -tito
Ei ole ühes tükis. Sinu fotol on näha ju see "kauss" või seib, mis vedru hoiab. Küljel on lõhe ja surudes vedru kokku saad selle ära võtta.
-
tito
Teema algataja - Postitusi: 749
- Liitunud: 07 Juun 2013, 08:38
- Tsikkel: Suzuki DR-Z
- Tänanud: 128 korda
- Tänatud: 63 korda
Re: Suzuki TS 125 R, 91a -tito
wend kirjutas:Ei ole ühes tükis. Sinu fotol on näha ju see "kauss" või seib, mis vedru hoiab. Küljel on lõhe ja surudes vedru kokku saad selle ära võtta.
Okey, vaatasin ühe moto mehega ja ta arvas teisiti, samas pole näpu vahel mu amorti näinud, jäin seega kahtlema
Sest ka varuosakood on 1 koos amordi ja vedruga, vahe vaid kas vedru tuleb valge v kollane
Ma nüüd korra ka häbenema ![]()
-
tito
Teema algataja - Postitusi: 749
- Liitunud: 07 Juun 2013, 08:38
- Tsikkel: Suzuki DR-Z
- Tänanud: 128 korda
- Tänatud: 63 korda
Re: Suzuki TS 125 R, 91a -tito
Häbi möödanik ,tulistame edasi
Räägin teile abimeestest elektrist ja keemiast. Sai kunagi autojupil katsetatud : pesusooda vee lahus ja akult toide, eile oli taas katsetuste aeg laborotooriumis


Roostes tugijalg läks üht otsa pidi vanni


Peale vanni lasin õhuga puhtaks ja käisin karukeelega üle

Lõpetusekt värv selga

Etteruttavalt ütlen ära ,et toimib kõige paremini värvimata metallil, kuid elektrolüüsist läbi laskmine halvemaks miskit ei tee ![]()
-
tito
Teema algataja - Postitusi: 749
- Liitunud: 07 Juun 2013, 08:38
- Tsikkel: Suzuki DR-Z
- Tänanud: 128 korda
- Tänatud: 63 korda
Re: Suzuki TS 125 R, 91a -tito
Tänud Pühak, abipakk käes
Lammutasin amordi laiali, kõik toimib kenasti ,sammuti pole ma täheldanud ,et see oleks niiske- sõnaga tipp topp.

Lagane vedru ja amort ise sai puhtaks tehtud

Pärast nägi välja nagu uus

Enne

Uniballi puhastasin/määrisin, sammuti simmekad. Lõpetuseks pistsin alla ka, jälle üks jubin rohkem küljes

-
tito
Teema algataja - Postitusi: 749
- Liitunud: 07 Juun 2013, 08:38
- Tsikkel: Suzuki DR-Z
- Tänanud: 128 korda
- Tänatud: 63 korda
Re: Suzuki TS 125 R, 91a -tito
Paar päeva nüüd roostes ja robustseid detaile elekrolüüdis puhastanud, täna võtsin esimesed amordid ette. Algatuseks puhastasin suuremast sodist ja eemaldasin viimased klambrid jms.


Kuna mul tolmukad on vist olemas ,siis võiks ju hoolduse amortidele teha, aga..... pole kunagi ühtegi amorti osandanud ja tekkis küsimusi: Esiteks kas keegi oleks nõus asjale pilgu peale viskama ja ehk esimest ka ette näitama kuidas mis teha tuleks, õlle minu poolt
Teiseks kas ntks Castroli Forkoil 10w poolsünt oleks ok ja palju seda varuma peaks ?
Kes nõus aitama, see võiks ps´is märku anda. Toimetan tööpäevadel Tallinnas ja kodu Kohila vallas, abistaja võiks seega nende regioonide lähedusse jääda ![]()
Liitu vestlusega
Vestluses osalemiseks pead sa olema motokommuuni liige
Avan konto
Pole veel liige? Pole probleemi, registreeru ja liitu.
Liikmena saad sa ise postitada ja vastata teisetel või tellida endale teavitusi vestluse edenemise kohta.
Kõik siin on tasuta ja võtab vaid minuti. Kohtusi sellega ei kaasne.